+61 (7) 3869 0750
Facebook
Google
Contact Us
FAQs
+61 (7) 3869 0750
Facebook
Google
Select category
Select category
Cables
Speedo & Tacho Cables
Ratio Adaptor Boxes
Motorsports Cables
Dash Mount Control Cables
Remote Manual Shifter Systems
Push/Pull Cables
Controls
Automatic Transmission Controls
Top Mount Control Systems
Valve Control Systems
Mechanical Foot Pedal Systems
Gear Shifters
Automatic Transmission Controls
Mechanical Hand Controls
Electronics
Electronic Displays
Marine
Marine Cables
Hardware
Cable fittings
Windscreen Wiper Systems
Light Duty (Small Screen Applications)
Kits
Motors
Arms
Blades
Accessories
Heavy Duty Wiper Systems
Kits
Motors
Arms
Blades
Accessories
Marine Wiper System
Motors
Arms
Blades
Accessories
Instruments
Gauges
Oil Pressure
Fuel Pressure (Mechanical)
Fuel Level
Oil Pressure (mechanical)
Oil Temperature
Oil Temperature (mechanical)
Pyrometers
Speedometer With Odometers
Tachometers 2'
Vacuum (Mechanical)
Voltmeters
Water Tempreature
Water Temperature (mechanical)
Pressure Senders
Temperature Senders
Pressure & Vaccum Switches
Ratio Boxes
Hour Meters
Search
Login / Register
0
Wishlist
0
items
/
$
0.00
Menu
0
items
/
$
0.00
Home
About
Partners
Shipping
Terms & Conditions
Our Mission
Get a Quote
Markets/Applications
Agriculture
Construction
Marine
Military
Racing
Rail
Truck
Product Specs
Cables
Push-Pull Cables
3, 4, 6, & 8 Series
Knobs & T-Handles for Universal Cables
Universal Cables
3 Series Light Duty (LD)
3 Series Heavy Duty (HD)
4 Series
6 Series
Positive Lock Cables
3 Series LD
3 Series HD
4 Series
Controls
VERNIER CABLES
3 Series Light Duty (LD)
3 Series Heavy Duty (HD)
4 Series
TENSION CABLES
3, 4, 6 & 8 Series
PTO & RVO Cables
RVC & Special Valve Control Cables
F.A.S.T.® Assemblers Exclusive Cable Assemblies
Hardware
Controls
ELECTRONIC ENGINE CONTROL
Floor Pedal
EV2 Vernier Hand
FRICTION THROTTLE CONTROL
MECHANICAL FLOOR ACCELERATOR PEDAL
RVO REMOTE VALVE CONTROLS
VALVE CONNECTION KITS
HEAVY-DUTY LEVERS
NG DUMP BODY CONTROLS
PTO/Hoist
T-Handle
Knowledge Base
Contact Us
Browse Categories
Cables
Push-Pull Cables
Utility Cables
Vernier Cables
Positive Lock Cables
Speedo & Tacho Cables
Ratio Adaptor Boxes
Universal Cables
Tension Cables
PTO & RVO Cables
VC & Special Valve Control Cables
Modulator Cables
Cable Repairs & Duplications
Controls
Electronic Controls
Electronic Foot Pedals
Electronic Hand Controls
EV2 Electronic Vernier
Mechanical Foot Pedals
Accelerator Systems, Mechanical & Cables
Mechanical Foot Pedal
Automatic Transmission Controls
Modulator Cables
T- Handle Shifters
T-Handle Dump Body Control
Heavy Duty Levers
Push-Button Heavy Duty Levers
Non Push-Button Heavy Duty Levers
Pedal Systems
Mechanical Foot Pedals
Electronic Foot Pedals
RVO Controls
Low Load Valve Control Cable
RVC & Walvoil Cables
RVO Cables
RVC & Heavy Duty Cables
Valve Connection Kits
Gear Shifters
Automatic Transmission Controls
Transmission Controls, Cables & Kits
Mechanical Hand Controls
B70 Control’s & Cables
B10 & B11 Controls & Cables
Electronics
Electronic Controls
Electronic Foot Pedals
Electronic Hand Controls
EV2 Electronic Vernier
Electronic Displays
Electronic Throttles
Fluid Level Indicators
Hardware
Ball Joints
Clevises
Stop Collars
Terminal Eyes
Clamps
Pivots
Spherical Rod Ends
Marine
Marine Controls
Marine Cables
Marine Fittings
Marine Steering
Windscreen Wiper Systems
Heavy Duty (Trains & Larger Vehicles)
Accessories
Arms
Blades
Kits
Motors
Medium Duty (Trucks, Buses, Cranes Etc.)
Accessories
Arms
Blades
Kits
Motors
Light Duty (Small Screen Applications)
Accessories
Arms
Blades
Kits
Motors
Instruments
Gauges
Temperature Switches
Pressure & Vaccum Switches
Ratio Boxes
Senders
3 Series Light Duty
Home
»
Product Specs
»
Cables
»
Universal Cables
»
3 Series Light Duty
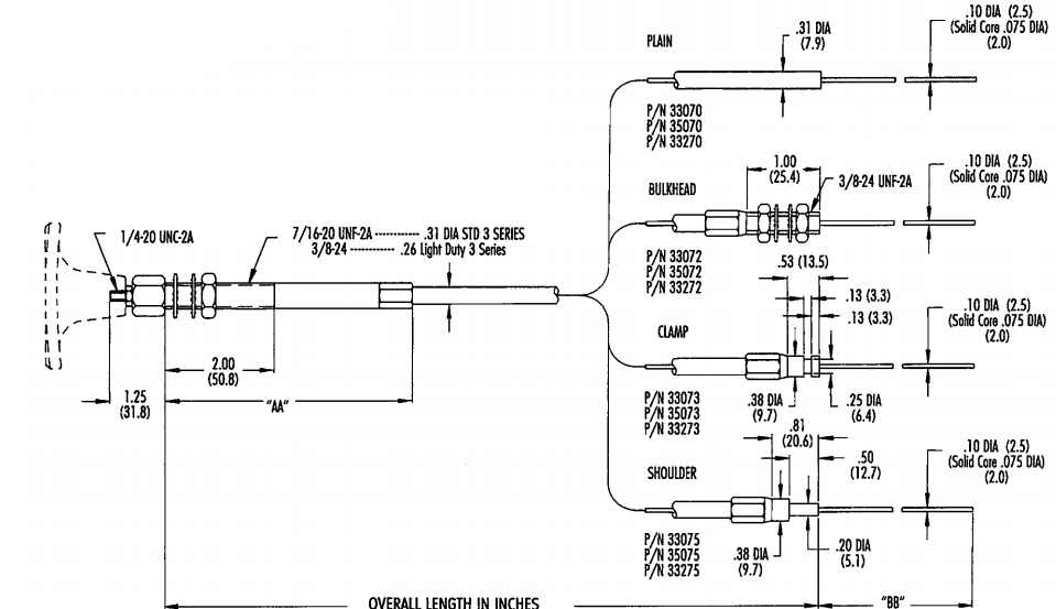
UNIVERSAL – UTILITY CABLES
3 Series Light Duty
Search
Menu
Categories
Cables
Controls
Electronics
Fluid Level Indicators
Hardware
Marine
Windscreen Wiper Systems
Instruments
Cables
Controls
Electronics
Fluid Level Indicators
Hardware
Marine
Windscreen Wiper Systems
Instruments
0
Wishlist
Login / Register
Shopping cart
close
Sign in
close
Close
Username or email
*
Password
*
Login
No account yet?
Create an Account
Scroll To Top
JOIN THE CONTROL CONNECTIONS NEWSLETTER TO RECEIVE UPDATES AND PROMOTIONS.
Be the first to learn about our latest trends and get exclusive offers
Leave this field empty if you're human: